首页 > 产品中心产品中心

类别

工控类中间继电器

产品型号

HH52P-L

HH53P-L

HH54P-L

HH62P-L

产品图片

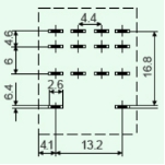
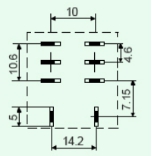
外形尺寸

28.0*21.5*35.0

28.0*21.5*35.0

28.0*21.5*35.0

28.0*21.5*35.0

主要特征

l 多种类型继电器,包括内置二级管型,高容量型

l 具有二组、三组、四组触点形式

l 多种引出脚

l 有镀金触点型

l 透明防尘罩、多种安装方式、备有各种插座供选用

l 触点切换电流可达15A

l 具有一组、二组触点形式

l 多种引出脚

l 透明防尘罩、多种安装方式、备有各种插座供选用

触点参数

 

触点形式

2Z

3Z

4Z

1Z、2Z

材料

 

Silver alloy

 

AgCdO

最大切换电流

5A

5A

3A

10A

最大切换电压

250VAC/30VDC

最大切换功率

 

1540VA/210W

 

 

额定负载(阻性)

2Z:7A250VAC/30VDC

3Z:7A250VAC/30VDC

4Z:5A250VAC/30VDC

1Z:15A250VAC/28VDC

2Z:10A250VAC/28VDC

线圈参数

 

 

 

 

额定电压

6~240VAC/5~110VDC

6~240VAC/5~110VDC

6~240VAC/5~110VDC

6~240VAC/5~110VDC

功耗

1.2VA/900mW

1.2VA/900mW

1.2VA/900mW

1.2VA/900mW

性能参数

 

 

 

 

绝缘电阻

1000MΩ

1000MΩ

1000MΩ

1000MΩ

介质耐压(线圈触点间)

1500VAC

1500VAC

1500VAC

1500VAC

环境温度

-40℃~+70℃

-40℃~+70℃

-40℃~+70℃

-40℃~+70℃

动作时间/释放时间

25ms/25ms

25ms/25ms

25ms/25ms

25ms/25ms

机械寿命

1*107

1*107

1*107

1*107

电气寿命

1*105

1*105

1*105

1*105

安装尺寸

引出端方式

插拔式,印制板式

插拔式,印制板式

插拔式,印制板式

插拔式,印制板式

对照型号

OMRON:MY2J

NAIS:HC

 

OMRON:MY4J

NAIS:HC

ORIGINAL:SRE

SONGCHUAN:SCL

B/SCLD

OMRON:LY1/2

NAIS:HL

ORIGINAL:SET/SRET

SONGCHUAN:SCL/SCL

SCHRCK:TM

版权所有无锡市瑞莱电器有限公司    联系人:乙先生 13812586999 QQ:782803823 ; 陆先生 13301515130 QQ:1959348958    邮箱:wxrelay@163.com

公司地址:无锡市滨湖区鸿桥路889号1208